
|
Wer mit Mikrocontrollern bastelt, möchte früher oder später
auch einmal seine Konstruktion mit anderen Controllern, Modulen, oder
Mikrorechnern (z.B. RasPi) kommunizieren lassen. Dabei ergibt sich dann
oftmals das Problem, daß die verschiedenen Systeme mit verschiedenen
Betriebsspannungen arbeiten (z.B. 5V und 3.3V). Für (unidirektionale)
Signale, bei denen klar ist, welche Station "Sender" ist, und welches Modul den
"Empfänger" darstellt, gibt es Unmengen von Chips und (meist
recht einfachen) Schaltungen, die die Spannungen auf den
Kommunikationsleitungen entsprechend anpassen. Etwas komplizierter wird es
jedoch, wenn auf einer Leitung Signale in beide Richtungen (bidirektional)
übertragen werden, und "Sender" und "Empfänger"
irgendwann ihre Rollen wechseln. Das ist z.B. bei dem recht beliebten
I2C-Bus
der Fall.
|
Lösungsmöglichkeiten
|
Natürlich betrifft diese Problematik nicht nur die Hobbybastler,
sondern tritt auch im industriellen Umfeld auf. Daher existieren auch einige
Lösungsansätze:
|
|
Funktional sind diese Chips bestimmt eine sehr gute Lösung, leider sind
sie aufgrund der Beschaffbarkeit (fast nur bei großen/teuren Distributoren
verfügbar) und der Bauformen (SMD mit <1mm Pinabstand, BGA) nur wenig
"bastlerkompatibel".
|
|
|
"Empfohlene" MOSFET-Schaltungen (wie z.B. hier
beschrieben)
|
Diese Schaltungen nutzen "Pullup"-Widerstände an den
Betriebsspannungen beider Module, und verbinden die Ein- und Ausgänge
mit Hilfe eines MOSFETs, falls eine Seite den Pegel auf "Low" zieht.
Das funktioniert recht gut wenn sichergestellt ist, daß beide Module
auch immer mit Betriebsspannung versorgt werden. Besteht jedoch die
Möglichkeit, daß auch mal eine Seite nicht mit Spannung versorgt
wird, sind zusätzliche Schaltungteile (wie z.B. in AN97055 erwähnt
wird) zum Schutz der Ein- und Ausgänge notwendig. Außerdem
entsprechen die Anforderungen an die verwendeten MOSFETs (geringe Gatespannung)
nicht gerade den Bauteilen, die gut und preisgünstig verfügbar sind.
|
|
Pegelwandler als "Maker"-Boards
|
Diese kleinen Boards (in Briefmarkengröße) basieren auf den
schon vorgestellten Chips und/oder Schaltungen, und sind relativ gut
verfügbar. Damit sind eine passable Möglichkeit, um entsprechende
Schaltungen aufzubauen. Wer jedoch seine Leiterplatten lieber selber entwirft,
wird diese Boards wohl maximal als Quelle für schwer beschaffbare Bauteile
sehen.
|
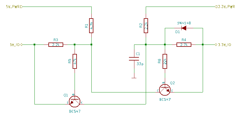
Eine Schaltung mit bipolaren Transistoren
GPIO ist nicht gleich GPIO
Die modifizierte Schaltung
![]()
3.3V → 5V, Ausgangsspannung und Eingangsstrom gegenüber Eingangsspannung
|
![]()
5V → 3.3V, Ausgangsspannung und Eingangsstrom gegenüber Eingangsspannung
|
Für die Richtigkeit und Allgemeingültigkeit dieser Informationen kann ich keinerlei Verantwortung übernehmen. Diese Seite hat ausschließlich den Sinn, eine kleine, und ggf. nützliche Schaltung vorzustellen, die bei manchen Problemstellungen brauchbar sein kann. Ich verkaufe weder fertige aufgebaute Schaltungen, noch kann ich bei der Bauteilauswahl für einen bestimmten Zweck hilfreich sein → Ich arbeite ausschließlich "für den Eigenbedarf".
Startseite Hardware Rechtliches Kontakt