
An erster Stelle der Entwicklung eines optischen Empfängers steht die Auswahl eines geeigneten lichtempfindlichen Bauteils. Dabei sind als wichtigste Auswahlkriterien eine hohe Empfindlichkeit bzw. hoher Wirkungsgrad (Elektronen pro Photon) und eine schnelle Anstiegszeit zu nennen. Ausserdem sollte das Bauteil auch einigermassen handelsüblich und somit beschaffbar sein. Meine Auswahl fiel daher auf die Fotodiode BPW34.
Bevor ich anfange irgendwas zu bauen, ist erst einmal die Ermittlung der maximalen Pulsfrequenz notwendig. Dazu verwende ich als Sender einen einfachen astabilen Multivibrator, der mit Hilfe eines zusätzlichen Transistors eine LED (aus der "Grabbelkiste", diffus, geschätzt 5mcd) zum "blinken" bringt.
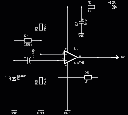
Als Empfänger findet eine ganz einfache Schaltung Verwendung:
Hierbei wird die Fotodiode relativ hochohmig betrieben, damit die Änderung des Fotostroms eine möglichst hohe Spannungsänderung zur Folge hat. Jedoch werden die schnellen Spannungsänderungen recht niederohmig (Summenpunkt des Operationsverstärkers) abgegriffen um möglichst geringe Anstiegszeiten zu erzielen. Mit dieser Schaltung konnte ich ermitteln, dass bei einer Pulsfrequenz von knapp über 200kHz noch eine "rechteckähnliche" Kurvenform am Ausgang des OpAmps zu erkennen ist. Die Messung habe ich bei einem Abstand von ca. 5cm zwischen LED und Fotodiode vorgenommen.
(Delta)IFoto = 0,005cd/0,05m*0,05m * 50nA/Lx = 100nA
(Delta)UFoto = 100nA * 100kOhm = 10mV
Hier musste ich anstatt des Gegenkopplungswiderstandes des OpAmps (über den ja eigentlich der sich ändernde Fotostrom fließen sollte) den Arbeitswiderstand der Fotodiode einsetzen, da dieser wesentlich kleiner ist.
Da der OpAmp LM741 mit einem Verstäkungs/Bandbreite-Produkt von ca. 1M bei dieser Frequenz noch etwa eine Verstärkung von 4-5 besitzt, stimmt diese Berechnung (trotz einiger geschätzter Parameter) recht gut mit dem gemessenen Wert von etwa 50mV überein.
Diese einfache Schaltung hat jedoch noch einige Nachteile:
Der Arbeitswiderstand der Fotodiode ist wesentlich zu gering.
Hier sollte besser eine Konstantstromquelle mit sehr hohem differentiellen Innenwiderstand eingesetzt werden. Da sich an diesem Arbeitswiderstand aber auch die Umgebungshelligkeit als ein Spannungabfall manifestiert, ist eine entsprechende Regelung des Konstantstroms notwendig.
Die Grenzfrequenz des OpAmps, der das Nutzsignal verstärken soll, ist definitiv zu gering.
Hier ist also ein OpAmp mit wesentlich höherem Verstärkungs/Bandbreite-Produkt notwendig.
Diese Forderungen habe ich in folgende Schaltung übernommen:
Hier sollte Q1 als Konstantstromquelle arbeiten, die mittels des Integrators IC2 geregelt wird, sodaß die Spannung an der Fotodiode konstant bleibt und der Strom der Umgebungshelligkeit angepasst wird. Es zeigten sich bei bestimmten Strömen heftige Schwingneigungen, die sich jedoch durch einen Emitterwiderstand an Q1 sowie der Stabilisierung der Betriebsspannung und einiger zusäztlicher Kondensatoren recht gut in Griff bekommen liessen. Die Regelung funktioniert recht gut, was ich bei abendlichen Experimenten daran erkennen konnte, daß das (durch die Raumbeleuchtung verursachte) 100Hz-Signal am Ausgang von IC2 erschien und das eigentliche (hochfrequentere) Nutzsignal nicht störte. Auch der breitbandigere OpAmp LT1037 zur Verstärkung des Nutzsignals zeigte seine Wirkung. Nur bei sehr geringer Umgebungshelligkeit (geringe Ströme) machte sich jedoch die fallende Stromverstärkung von Q1 (und damit der kleiner werdende differentielle Ausgangswiderstand der Stromquelle) bei sehr geringen Stroemen bemerkbar. Eine denkbare (allerdings "grausige") Lösung dieses Problems wäre eine zusätzliche LED gewesen, die (gekoppelt an die Regelschaltung) bei zu geringer Umgebungshelligkeit für einen "Ruhestrom" in der Fotodiode sorgt, aber es geht auch eleganter:
Hier hab ich die "versorgende" Stromquelle (Q1) auf ca. 6mA fest eingestellt, was einer Umgebungshelligkeit von ca. 120kLx entsprechen wuerde und sicherlich nie erreicht wird. Die geregelte Stromquelle liegt jetzt parallel zur Fotodiode und "schluckt" den Strom, der nicht durch die Fotodiode fliesst.
Hier noch die derzeitige Schaltung im "Experimentierformat":
...to be continued
Startseite Hardware Optische Datenübertragung Rechtliches Kontakt Darstellung