
|
Jedesmal, wenn ich abends meinen treuen, guten, alten "Arbeits-PC" (P2, 400MHz,
384MB RAM, insgesamt 18GB Platz auf mehreren Festplatten, vor einigen Jahren aus
Schrott zusammengebaut) abschaltete, fiel mir auf, wieviel Lärm das
Gerät doch erzeugt. Und ganz nebenbei ist das Teil noch ein ziemlicher
Stromfresser! Obwohl die Leistung/Ausstattung der Kiste für meinen
Bedarf durchaus ausreicht, müsste da mal etwas Neues her... Aber wieder
so ein riesiger Klotz unter dem Tisch, an dessen Anschlüsse ich nur
schlecht herankomme? Hmmm, vor Kurzem ist mir doch ein
Raspberry Pi
(Modell B mit 512MB) "zugelaufen", der hat sogar einen höheren
Takt, mehr RAM, und verbraucht nur ein paar Watt... Ok, eine SD-Karte als
Massenspeicher für einen "Arbeits-PC" zu verwenden ist wohl nicht
so gut, aber es gibt ja recht preisgünstig USB-Festplatten für
Notebooks. Da ich VGA-Monitor, PS2-Keyboard und -Trackball weiter verwenden
möchte, brauchte ich noch einen HDMI/VGA-Umsetzer (vom günstigen
Chinesen), und einen PS2-Adapter. Damit waren dann aber beide USB-Ports
des RasPi belegt, und somit kein weiterer Port "zur Aussenwelt"
mehr verfügbar. Also kam noch ein aktiver USB-Hub mit auf die
Bestellliste...
|
|
Der erste Versuchsaufbau
|
Nachdem alle Einzelteile geliefert wurden, stöpselte ich die erste
Versuchsanordnung daraus zusammen. Da der USB-Hub mit einem Steckernetzteil
(5V/2A) geliefert wurde, und damit die Stromversorgung des RasPi (über
den "Master"-Port des HUBs) funktionierte, habe ich mir über
diesen Punkt erst einmal keine weiteren Gedanken mehr gemacht. Der erste
Start und die ersten groben Einstellungen des heruntergeladenen, und auf
eine SD-Karte verbrachten Raspbian 8
verlief (mit einem geliehenen USB-Keyboard) relativ problemlos, aber bis
sowohl PS2-Keyboard als auch -Trackball (via USB-Adapter) funktionierten,
war schon etwas "Handkonfiguration" (teilweise unter Verwendung
des beim Erststart eingerichteten SSH-Zugangs) notwendig... Nach der
Installation eines "abspeckbaren"
Windowmanagers
(und dessen Konfiguration "auf geringen Resourcenverbrauch")
erreichte das System dann einen Zustand, der einen eigenständigen
Betrieb und die Übernahme der "Arbeitsdateien" von dem bisherigen
System ermöglichte. Nur das sporadische "Einfrieren/Stehenbleiben"
des Systems machte mir so langsam Sorgen... Aber ich hatte ja die Startscripte
so angepasst, daß das System nun von der Notebook-Platte lief, und die
SD-Karte nach dem Startvorgang "unmounted" wurde, sodaß eine
Beschädigung der (für einen Neustart notwendigen) Daten der Karte
recht unwahrscheinlich war → Wenn der Kernel von der SD-Karte erst
einmal lief, ließen sich etwaige Fehler im Dateisystem auf der
Notebookplatte recht einfach wieder beheben. Nur dieses Knäuel von
Einzelteilen verbrauchte doch einigen Platz auf dem Basteltisch. Also musste
ein passendes Gehäuse her...
|
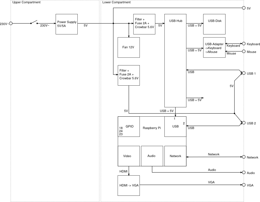
Einbau in ein Gehäuse
Die Stromversorgung
|
Nun war zwar alles in einem "handlichen" Gehäuse untergebracht,
aber gelegentlich blieb das System noch immer stehen. Auch der Anschluß
eines zusätzlichen Elkos an den 5V-Pins des RasPi brachte keine
Verbesserung. Abhilfe brachte die Stromversorgung aus einem Labornetzteil,
wobei ich auch gleich die Stromaufnahme messen konnte: 1.5A, was eine
Leistungsaufnahme von 7.5W ergibt. Diese Steckernetzteile sind vermutlich
nur zum Laden von Geräten mit USB-Anschluß brauchbar, und reichen
Netzstörungen direkt auf die 5V durch. Aber ein laufendes Rechnersystem
reagiert oft etwas "sauer" auf Schwankungen der Betriebsspannung.
Also musste ein anderes Netzteil her. In einem alten 10MBit-Netzwerk-Hub aus
dem Schrott fand sich ein Schaltnetzteil mit 5V/2A und 12V/500mA. Da diese
Netzteilschaltungen gelegentlich auch mal "Amok laufen", habe ich
gleich noch eine Sekundärsicherung und einen Überspannungsschutz
vorgesehen. Ein Filter gegen evtl. auftretende HF-Störungen und eine
"Schusseldiode" durften natürlich auch nicht fehlen...
Nachdem ich noch eine LED als 5V-Indikator, einen Netzschalter und eine
Kaltgerätebuchse eingebaut hatte, konnte man das Gerät schon mal
als "PC" bezeichnen... Und bei einer Leistungsaufnahme von etwa
9W (7.5W bei 5V-Speisung) ist (für mich) auch die Bezeichnung
"QRP"
durchaus angebracht.
|
Erweiterung der Stromversorgung
Erstes Resümee
|
Das aktuelle Gerät ist leise, wenig stromhungrig, und (für mich)
ein "PC" mit ausreichender Rechenleistung. Ok, manchmal (z.B. beim
Start von "GIMP")
muss ich schon etwas Geduld aufbringen... Aber es läuft fast alles, was ich
im Bastelalltag benötige:
KiCad,
Ngspice, und
Gaw zur
Schaltungsentwicklung,
Geany zur
Programmierung,
Inkscape zur
Dokumentation, ... Was leider (noch) nicht läuft, sind
Blender und
Openhantek. Denen fehlt
anscheinend das
OpenGL,
welches (derzeitig?) unter Raspbian anscheinend nur in der "ES"-Version
verfügbar ist.
|
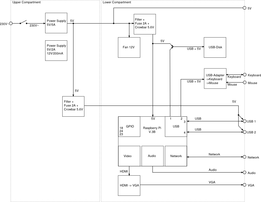
Technologie-Update
Modifikation der Stromversorgung
Aktuelles Resümee
Hinweise für Nachbauwillige:
Wer diese Konstruktion nachbauen möchte, sollte ein wenig im Bereich der Feinmechanik und der Elektronik bewandert sein, und über Kenntnisse der Konfiguration/Modifikation des verwendeten (Linux-)Betriebssystems verfügen. Es handelt sich hierbei nicht um einen Bausatz, sondern eher um eine Anregung für eigene Konstruktionen. Alles, was ich dazu anbieten kann, befindet sich auf dieser Seite, d.h. Nachfragen nach fertigen Geräten oder Bausätzen sind zwecklos → Ich "produziere" ausschliesslich für den Eigenbedarf.
Für die Funktionalität und Nachbausicherheit dieser Konstruktion kann ich keinerlei Verantwortung übernehmen. Eine kommerzielle Verwertung von Schaltplänen oder Layouts ist nur mit meiner ausdrücklichen Genehmigung zulässig.
Startseite Hardware Rechtliches Kontakt